DC-DC lader 30A

Voita B2B1230, 12V 30A DC-DC lader med bluetooth

PrisNOK1 600,00 inkl. mva.
På lager
  • Produktinfo
  • Produktanmeldelser (0)
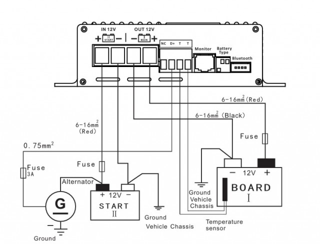
Voita B2B1230 er en 12V 30A DC-til-DC batterilader (Battery-to-Battery charger) produsert av Guangzhou Voita Electronic Technology Co., Ltd.
Den er designet for å lade forbruksbatteri (eks. LiFePO4) fra startbatteri/Dynamo 
  • Ladeeffekt: 12V / 30A DC-til-DC. 360W
  • Kompatible batterityper: GEL, Sealed, Flooded, LiFePO4 og Lithium-ion.
  • Anvendelse: Egnet for kjøretøy, bobiler og marine installasjoner.
DC-DC lader brukes ved LiFePO4-batterier for å sikre trygg lading fra en dynamo. Den forhindrer at dynamoen overbelastes fordi litiumbatterier kan trekke mer strøm enn dynamoen er designet for, samtidig som den sørger for riktig ladespenning.

Endel bobiler er levert og klargjort for LiFePO4 forbruksbatteri

Hvorfor bruke DC-DC lader:
  • Beskyttelse av dynamoen: 
    LiFePO4-batterier har svært lav indre motstand og vil trekke maksimal strøm fra dynamoen helt til batteriet er fullt. Dette kan føre til overoppheting av dynamoen.
  • Korrekt ladespenning: 
    Eldre Dynamoer er gjerne laget for blybatterier
     mens LiFePO4 ofte krever en mer stabil og gjerne litt høyere spenning for å bli optimalt ladet.
  • Kontroll: 
    Laderen fungerer som en barriere mellom startbatteri (bly) og forbruksbatteri (litium), noe som gir bedre strømstyring og beskytter mot elektriske feil.
  • Raskere og bedre lading: 
    DC-DC laderen sørger for at litiumbatteriet får den optimale ladekurven noe som sikrer lengre levetid og full lading.
Selv om systemet kanskje fungerer uten i korte perioder, er en DC-DC lader sterkt anbefalt for å forhindre skader på det elektriske anlegget.

Skriv en produktanmeldelse og del dine erfaringer med dette produktet med andre kunder.